Profesionální provedení pro dlouhodobé průmyslové použití
Injektorový tryskací box Contracor ECO řady SL představuje špičkové řešení pro středně těžké a dlouhodobé průmyslové aplikace. Tyto tryskací kabiny, navržené pro profesionální použití, jsou vybaveny robustními prvky, které zajišťují efektivní a spolehlivý provoz i v náročných podmínkách.
Vylepšená filtrace a ventilace
Řada SL se odlišuje zejména díky větším odlučovačům prachu modelů DC-550 a DC-750, které disponují zvýšenou ventilační kapacitou a automatickým pulzním čištěním patronového filtru. Tento systém zajišťuje čistotu pracovního prostředí a minimalizuje potřebu ruční údržby. Filtrační patrony jsou navrženy tak, aby efektivně zachycovaly prachové částice, což prodlužuje životnost zařízení a zvyšuje jeho výkon.
Široká škála velikostí
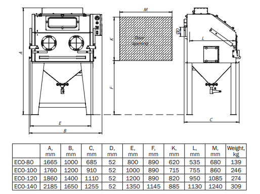
Tryskací kabiny ECO série SL jsou dostupné ve čtyřech různých velikostech: ECO-80SL, ECO-100SL, ECO-120SL a ECO-140SL. Každá z těchto variant je přizpůsobena pro specifické potřeby a objemy práce, což umožňuje uživatelům vybrat si ideální řešení pro jejich konkrétní aplikace. Detailní rozměry a technické specifikace naleznete v přiložené tabulce technické specifikace.
Oblast použití: Tryskací kabiny typu SL jsou navrženy s ohledem na maximální efektivitu a bezpečnost. Větší odlučovače prachu, automatické pulzní čištění filtrační vložky a vnitřní obložení stěn přispívají k dlouhodobé spolehlivosti a nižším nákladům na údržbu.
Standardní provedení: Každá kabina je plně svařovaná a vybavená injektorovým tryskacím systémem, který je namontován přímo na kabině. Součástí je ruční tryskací pistole GX, tryska GXT-8 z karbidu wolframu, odolné gumové rukavice RGS-600, pneumatický pilotní ventil, dálkové ovládání pomocí nožního ventilu a vzduchový filtr s vypouštěcím ventilem.
Osvětlení kabiny Nastavení tlaku Boční prostupy Patronový filtr
Hlavní přednosti produktu:
-
Výkonné odsávání prachu: Každý model z řady SL je vybaven sběračem/odsavačem prachu DC-550 (model ECO 80 a ECO 100) nebo DC-750 (model ECO 120 a ECO 140], který zajišťuje zvýšenou ventilační kapacitu. To znamená, že během tryskání je prach efektivně odsáván, což zlepšuje viditelnost a bezpečnost práce.
-
Velká filtrační patrona: Díky velké filtrační patroně je zajištěna maximální účinnost filtrace, což prodlužuje životnost zařízení a zajišťuje jeho spolehlivý provoz.
-
Systém pro čištění filtru: Inovativní systém pro čištění filtru umožňuje snadné a rychlé odstranění nečistot, což minimalizuje čas potřebný na údržbu a zvyšuje produktivitu.
-
Gumové závěsy: Vnitřní stěny skříně jsou vybaveny gumovými závěsy, které chrání zařízení před opotřebením a snižují hlučnost během provozu.
Dostupné velikosti:
Řada SL je nabízena ve čtyřech různých velikostech, aby vyhověla různým potřebám a aplikacím:
- ECO-80SL: Kompaktní model ideální pro menší dílny.
- ECO-100SL: Univerzální velikost pro široké spektrum aplikací.
- ECO-120SL: Zvýšená kapacita pro náročnější projekty.
- ECO-140SL: Největší model pro maximální flexibilitu a výkon.
Kdy použít injektorovou pískovací kabinu? Tento box je ideální pro čištění povrchů, odstraňování rzi a barvy, ohlazování a zmatňování povrchů, a je vhodný pro dokončovací i dekorační práce. Je navržen pro dlouhodobou, lehce až středně náročnou průmyslovou práci.
Požadavky na stlačený vzduch: Box nabízí široké možnosti velikostí vzduchových trysek a pískovacích trysek. Potřebná velikost kompresoru závisí na velikosti vzduchové trysky a tlaku. Standardně je box vybaven injektorovou tryskací pistolí GX se vzduchovou tryskou Ø 4 mm a tryskací tryskou Ø 8 mm.
Tabulka spotřeby vzduchu

Injektorový tryskací box Contracor ECO je vyroben z odolné svářené ocelové konstrukce, což zajišťuje jeho dlouhou životnost a spolehlivost i v náročných podmínkách. Díky svému promyšlenému designu a kvalitním komponentům je ideálním nástrojem pro každého, kdo potřebuje efektivní a výkonné řešení pro tryskání a povrchovou úpravu.
Pokud potřebujete další příslušenství jako hadice na přívod vzduchu, ochranné pomůcky, regulátor tlaku atd. kontaktujte nás na emailu info@krokodeal.cz nebo telefonu +420 603 727884
Rozměry pískovacích boxů řady ECO
